Descriere
| Cod CAS | Denumire DM | Tip |
|---|---|---|
| A031 | Proteză traheală | Canulă traheală simplă |
• Canulă de traheostomie pentru nou-născuți și sugari
• Ambalaj steril
![]()
| Nr. ref. | Denumire produsului | Mărimi |
|---|---|---|
| REF.355 | Canulă traheală Tracoe Mini Ped pentru copii, nefenestrată |
2.5-6.0 |
Include: Obturator inelar, bandă cervicală reglabilă și card cu informații despre
produs cu două etichete detașabile.
Pentru comandă, specificați: REF + dimensiune, de ex. REF 355-3.5
Tracoe Mini
Tracoe Mini, produsul nostru testat și de încredere, este o
canulă din PVC moale care nu conține DEHP. Flanșa are o
parte inferioară înclinată pentru a optimiza ajustarea. Este
disponibilă și o piesă de extensie proximală potrivită pentru
canulele Tracoe Mini.
Obturatorul inelar special conceput este extrem de practic.
Prinderea în formă de inel permite manevrarea intuitivă a
obturatorului pentru introducerea canulei, în ciuda
dimensiunilor lor mici și a materialelor diferite.
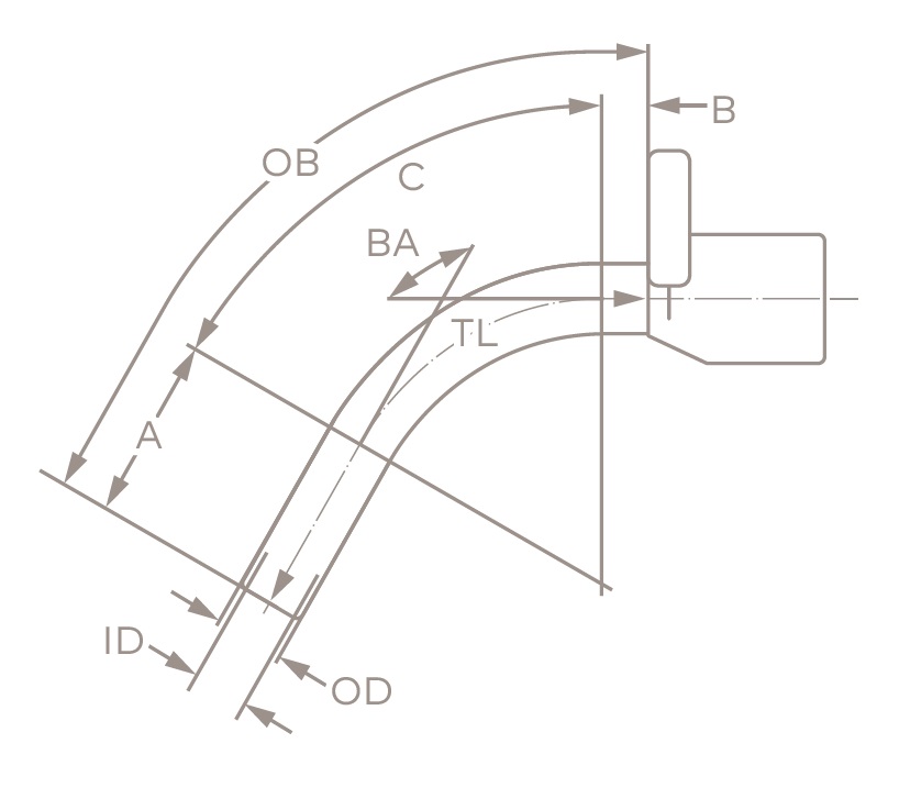
Date technice
Tracoe Mini pentru copii

| Mărime | ID | OD | A | C | B | TL | OB | BA |
|---|---|---|---|---|---|---|---|---|
| mm | mm | mm | mm | mm | mm | mm | mm | ° |
| 2.5 | 2.5 | 3.6 | 8 | 22 | 2 | 32 | 34 | 120 |
| 3.0 | 3.0 | 4.3 | 10 | 24 | 2 | 36 | 39 | 120 |
| 3.5 | 3.5 | 5.0 | 12 | 25 | 3 | 40 | 43 | 120 |
| 4.0 | 4.0 | 5.6 | 14 | 27 | 3 | 44 | 48 | 120 |
| 4.5 | 4.5 | 6.3 | 16 | 28 | 4 | 48 | 52 | 120 |
| 5.0 | 5.0 | 7.0 | 18 | 28 | 4 | 50 | 55 | 120 |
| 5.5 | 5.5 | 7.6 | 20 | 30 | 5 | 55 | 60 | 120 |
| 6.0 | 6.0 | 8.4 | 22 | 35 | 5 | 62 | 67 | 120 |
ID: diametrul intern (lățimea liberă) al canulei; OD: diametrul extern al
canulei; C: lungime; TL: lungime de-a lungul liniei centrale de la începutul
flanșei cervicale la baza canulei; OB: lungimea de-a lungul cotului exterior
de la începutul flanșei cervicale la baza canulei; BA: unghiul de pliere
Pictograme:

